100+ stk. på lager
Billigste fragt: GLS Pakkeshop 39,00 kr. (leveres tirsdag d. 21/4)
Se alle muligheder
Oplyste datoer gælder ved bestilling inden fredag 13.30
Billigste fragt: GLS Pakkeshop 39,00 kr. (leveres tirsdag d. 21/4)
Se alle muligheder
| Metode | Pris | Leveres |
|---|---|---|
| GLS Pakkeshop | 39,00 kr. | Tirsdag d. 21/4 |
| GLS Hjemmelevering | 49,00 kr. | Tirsdag d. 21/4 |
| GLS Erhverv | 49,00 kr. | Tirsdag d. 21/4 |
| Direkte levering | 149,00 kr. | Mandag d. 20/4 |
| Click&Collect i Svenstrup (9230) | 0,00 kr. | Mandag d. 20/4 |
Syrefast gevindflange iht. norm ASTM A-182. Kan anvendes til drikkevandsinstallationer, da den rustfri stålkvalitet ligger indenfor standarden EN 1.4000 til EN 1.4999.
Læs mere…
- Varenr.:799429
- Typenr.:FT10223040
pr. stk. | inkl. moms
166,00 kr.
Måske interessant?
Beskrivelse
Gevindflange til forskellige applikationer
Denne syrefaste gevindflange er produceret iht. norm ASTM A-182. Den er velegnet til brug i drikkevandsinstallationer, da den rustfri stålkvalitet ligger indenfor standarden EN 1.4000 til EN 1.4999.
Specifikationer:
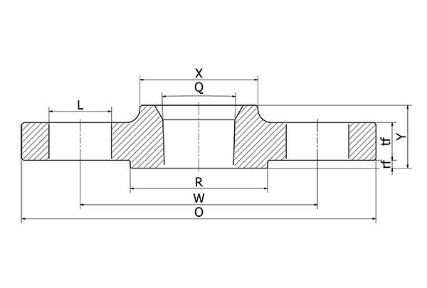
- Dimension: 3/4"
- Tryk ANSI: 150Lbs
- Til rør med udvendig diameter: 26,7 mm
- Gevind: 3/4" NPT
- Antal boltehuller: 4 stk
- Stålkvalitet: 316/316L
- Vægt: 0,57 kg
- Certifikat: 3.1 i henhold til EN10204
- Bolthul diameter: 15,9 mm
- Boltecirkeldiameter: 69 mm
- Flange tykkelse: 11,2 mm
- Diameter: 100 mm
- Tolerance: ASTM A-182 TH/RF , SF
- Diameter indvendig: 22,6314 mm
- X mål: 38 mm
- R mål: 42,9 mm
- Y mål: 14 mm
- Rf mål: 2 mm
Bemærk: Varen er på eksternt lager og kan leveres fra dag til dag ved bestilling inden kl. 11.45.
Specifikationer
-
Varenummer:799429
-
EAN nummer:Nogle produkter sælges under flere forskellige type nr., EAN nr. osv.
-
Typenummer:FT10223040Nogle produkter sælges under flere forskellige type nr., EAN nr. osv.
-
Antal boltehuller:4Stk
-
Bemærkninger:Varen ligger på eksternt lager og kan leveres fra dag til dag ved bestilling inden kl.11.45.
-
Boltecirkeldiameter:69mm
-
Bolthul Diameter:15,9mm
-
Certifikat:3.1 i henhold til EN10204
-
Diameter:100mm
-
Diameter indvendig:22,6314mm
-
Dimension:3/4"
-
Flange tykkelse:11,2mm
-
Gevind:3/4"
-
R mål:42,9mm
-
Rf mål:2mm
-
Stålkvalitet:316/316L
-
SVHC stof over 0,1%:Ingen
-
Til rør med udvendig diameter:26,7mm
-
Tolerance:ASTM A-182 TH/RF , SF
-
Tryk ANSI:150Lbs
-
Vægt:0,57kg
-
X mål:38mm
-
Y mål:14mm











