10+ stk. på lager
Billigste fragt: GLS Pakkeshop 39,00 kr. (leveres tirsdag d. 19/5)
Se alle muligheder
Oplyste datoer gælder ved bestilling inden fredag 13.30
Billigste fragt: GLS Pakkeshop 39,00 kr. (leveres tirsdag d. 19/5)
Se alle muligheder
| Metode | Pris | Leveres |
|---|---|---|
| GLS Pakkeshop | 39,00 kr. | Tirsdag d. 19/5 |
| GLS Erhverv | 49,00 kr. | Tirsdag d. 19/5 |
| GLS Hjemmelevering | 59,00 kr. | Tirsdag d. 19/5 |
| Direkte levering | 149,00 kr. | Mandag d. 18/5 |
| Click&Collect i Svenstrup (9230) | 0,00 kr. | Mandag d. 18/5 |
Se alt fra mærket DeWalt
Levnedsmiddel fitting til brug i fødevareindustrien. Må anvendes til drikkevandsinstallationer. Overholder standard EN 1.4000 til EN 1.4999.
Læs mere…
- Varenr.:754333
- Typenr.:DC14251645
pr. stk. | inkl. moms
60,00 kr.
Måske interessant?
Se alt fra mærket
Beskrivelse
Levnedsmiddel mini clampkrave
Levnedsmiddel fitting til brug i fødevareindustrien og lignende.
Denne clampkrave må anvendes til drikkevandsinstallationer.
Produktet er ikke omfattet af krav til godkendelse (GDV), men må anvendes til drikkevand, da den rustfri stålkvalitet ligger indenfor standarden EN 1.4000 til EN 1.4999.
Specifikationer
- Certifikat: 3.1 i henhold til EN10204
- Stålkvalitet: 316L
- Finhed: Ra. 0,8 µm
- Vægt: 0,05 kg
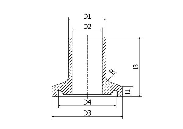
- K mål: 25,4 mm
- D4 mål 1: 20,2 mm
- R2 mål: 2 mm
- Længde: 21,05 mm
- Tykkelse: 1 mm
- Udvendig diameter: 12 mm
- Indvendig diameter: 10 mm
Specifikationer
-
Varenummer:754333
-
EAN nummer:Nogle produkter sælges under flere forskellige type nr., EAN nr. osv.
-
Typenummer:DC14251645Nogle produkter sælges under flere forskellige type nr., EAN nr. osv.
-
Bemærkninger:Varen ligger på eksternt lager og kan leveres fra dag til dag ved bestilling inden kl.11.45.
-
Certifikat:3.1 i henhold til EN10204
-
D4 mål 1:20,2mm
-
Diameter indvendig:10mm
-
Diameter udvendig:12mm
-
Finhed:Ra. 0,8 µm
-
K mål:25,4mm
-
Længde:21,05mm
-
R2 mål:2mm
-
Stålkvalitet:316L
-
SVHC stof over 0,1%:Ingen
-
Tykkelse:1mm
-
Vægt:0,05kg
-
Producent/forhandler:DeWalt











